基于SpringBoot+Vue前后端分离的Java国产信创工作流引擎
工作流引擎为业务流程自动化提供底层支撑,通过表单设计器、流程设计器与事项管理模块的协同,实现流程从设计、运行到监控的全生命周期管理。支持表单可视化配置、流程图形化设计、待办事项集中处理及跨系统集成,结合模板管理与智能提醒功能,提升流程流转效率与规范化水平,满足复杂业务场景的自动化需求。系统在线体验----->>>>>
(一)表单设计器
表单设计器提供可视化的表单创建与配置工具,支持通过拖拽操作快速设计表单结构,灵活设置数据源关联、字段绑定规则及校验逻辑。可自定义表单样式与布局,适配不同终端展示需求,支持数组、表格等复杂数据结构的录入与展示。通过配置表单动作触发规则,实现与后端数据的联动交互,同时支持导入标准化模板,简化常用表单的重复设计工作,提升表单制作效率与标准化程度,为流程流转提供结构化数据载体。
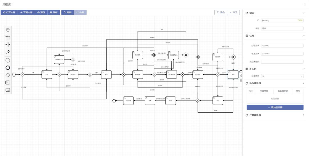
(二)流程设计器
流程设计器支持图形化流程建模与全生命周期管理,核心功能包括流程可视化设计、实例运行监控及版本迭代支持。通过图形界面拖拽节点元素(如开始事件、审批节点、结束事件),配置节点权限、流转条件及处理规则,构建可视化流程模型;可实时监控流程实例状态,对异常流程执行删除、挂起、激活等操作,查看审批历程与变量信息;支持低版本流程实例向高版本无缝迁移,保障流程迭代过程中业务连续性,同时支持流程模拟,提前发现设计缺陷,优化流程路径。
(三)事项管理
事项管理模块实现流程运行的精细化管控,核心功能涵盖事项配置、待办集中处理、流程协同及模板管理。支持统一配置流程节点的表单样式、审批规则、意见框管理、附件配置及编号规则,通过接口配置与链接配置实现第三方系统集成;汇总所有待办事项于统一界面,支持按岗位筛选不同状态的流程实例,通过消息提醒功能推送审批通知与办理结果。提供正文模板、套红模板、打印模板的导入与管理功能,支持流程实例关联、日历规则配置,结合动态视图自定义展示方式,全面提升流程处理效率与用户体验。
源码地址:https://github.com/risesoft-y9/WorkFlow-Engine
y9-module-flowableui -- 工作流程模块
├── risenet-y9boot-webapp-flowableui -- 工作流程webapp
y9-module-itemadmin -- 事项管理模块
├── risenet-y9boot-api-feignclient-itemadmin -- 事项管理接口客户端封装
├── risenet-y9boot-api-interface-itemadmin -- 事项管理接口
├── risenet-y9boot-support-itemadmin-jpa-repository -- 事项管理持久层
├── risenet-y9boot-support-itemadmin -- 事项管理控制层、业务层
├── risenet-y9boot-webapp-itemadmin -- 事项管理webapp
y9-module-jodconverter -- 预览模块
├── risenet-y9boot-webapp-jodconverter -- 预览webapp
y9-module-processadmin -- 流程管理模块
├── risenet-y9boot-api-feignclient-processadmin -- 流程管理接口客户端封装
├── risenet-y9boot-api-interface-processadmin -- 流程管理接口
├── risenet-y9boot-support-processadmin -- 流程管理业务层
├── risenet-y9boot-webapp-processadmin -- 流程管理webapp
vue -- 前端工程
├── y9vue-itemAdmin -- 事项管理前端工程
├── y9vue-flowableUI -- 工作流程前端工程

-
工作流引擎主要分为事项配置和工作台,事项配置面向运维人员对工作流进行配置,工作台面向用户操作使用
-
工作流引擎需要数字底座中对于岗位角色的配置,否则无法运转
-
工作流引擎不仅仅支持传统OA,更面向外部业务、算法、接口、代理的接入和控制

1.工作台的功能和界面都由事项管理进行配置后形成
2.事项管理的功能分为流程类、表单类和配置项类
3.表单管理负责映射数据库的表结构设计,由拖拉拽的表单引擎支撑
4.流程管理包含流程的设计、部署和监控,由拖拉拽的流程引擎支撑
5.接口管理支持在流程节点和流程路径中接入第三方的接口
6.链接管理支持通过岗位绑定第三方应用的入口
7.正文模板和套红模板均需要接入第三方插件才可以使用

2.工作流引擎需要额外部署文件预览相关的服务器
3.工作流引擎依赖数字底座和其单点登录服务
4.工作流引擎单体在信创环境中,4核8GB内存的虚拟机可以轻松应对500用户(历史数据需按年度结转)
| 序号 | 依赖 | 版本 | 官网 |
|---|---|---|---|
| 1 | Spring Boot | 2.7.10 | 官网 |
| 2 | SpringDataJPA | 2.7.10 | 官网 |
| 3 | SpringDataRedis | 2.7.10 | 官网 |
| 4 | SpringKafka | 2.8.11 | 官网 |
| 5 | nacos | 2.2.1 | 官网 |
| 6 | druid | 1.2.16 | 官网 |
| 7 | Jackson | 2.13.5 | 官网 |
| 8 | javers | 6.13.0 | 官网 |
| 9 | lombok | 1.18.26 | 官网 |
| 10 | logback | 1.2.11 | 官网 |
| 11 | flowable | 6.8.0 | 官网 |
| 序号 | 依赖 | 版本 | 官网 |
|---|---|---|---|
| 1 | vue | 3.3.2 | 官网 |
| 2 | vite2 | 2.9.13 | 官网 |
| 3 | vue-router | 4.0.13 | 官网 |
| 4 | pinia | 2.0.11 | 官网 |
| 5 | axios | 0.24.0 | 官网 |
| 6 | typescript | 4.5.4 | 官网 |
| 7 | core-js | 3.20.1 | 官网 |
| 8 | element-plus | 2.2.29 | 官网 |
| 9 | sass | 1.58.0 | 官网 |
| 10 | animate.css | 4.1.1 | 官网 |
| 11 | vxe-table | 4.3.5 | 官网 |
| 12 | echarts | 5.3.2 | 官网 |
| 13 | svgo | 1.3.2 | 官网 |
| 14 | lodash | 4.17.21 | 官网 |
| 序号 | 工具 | 版本 | 官网 |
|---|---|---|---|
| 1 | JDK | 11 | 官网 |
| 2 | Tomcat | 9.0+ | 官网 |
| 3 | Kafka | 2.6+ | 官网 |
| 4 | filezilla server | 1.7+ | 官网 |
| 序号 | 工具 | 版本 | 官网 |
|---|---|---|---|
| 1 | Mysql | 5.7 / 8.0+ | 官网 |
| 2 | Redis | 6.2+ | 官网 |
| 3 | elasticsearch | 7.9+ | 官网 |
| 序 号 | 专利号 | 专利名称 |
|---|---|---|
| 1 | ZL202210221266.3 | 《基于全域状态更新的工作流同步更新方法及工作流同步更新系统》 |
| 2 | ZL202210222170.X | 《一种工作流数据恢复方法及数据恢复系统》 |
| 3 | ZL202210803411.9 | 《一种包含多起点多分支流程的工作流引擎的实现方法》 |
| 序号 | 类型 | 对象 |
|---|---|---|
| 1 | 浏览器 | 奇安信、火狐、谷歌、360等 |
| 2 | 插件 | 金山、永中、数科、福昕等 |
| 3 | 中间件 | 东方通、金蝶、宝兰德等 |
| 4 | 数据库 | 人大金仓、达梦、高斯等 |
| 5 | 操作系统 | 统信、麒麟、中科方德等 |
| 6 | 芯片 | ARM体系、MIPS体系、X86体系 |
| 序 号 | 特 点 名 称 | 特点描述 |
|---|---|---|
| 1 | 串行办理 | 一个流程节点,多人按照顺序依次收到待办进行办理,全部办理完成后,自动进入下一个流程节点 |
| 2 | 并行办理 | 一个流程节点,多人同时收到待办进行办理,全部办理完成后,自动进入下一个流程节点 |
| 3 | 或行办理 | 一个流程节点,无论串行或并行办理,任意一个人办理完成后,自动进入下一个流程节点(需避免使用排他网关) |
| 4 | 票行办理 | 一个流程节点,无论串行或并行办理,多个人分配不同的权重进行投票,投票权重大于X%(例如60%),自动进入下一个流程节点(需避免使用排他网关) |
| 5 | 单人签收 | 一个流程节点,支持多人同时接到办理任务,一个人抢占签收进行办理(签收后,其他人无办理任务),可拒签,可撤销签收 |
| 6 | 主协办 | 一个并行办理的流程节点,支持定义主办和协办,只有主办可以办理完成后操作进入一个流程节点 |
| 7 | 子流程 | 主流程设置子流程,支持主、子流程独立办理 |
| 8 | 自动执行 | 支持在流程路径和流程节点自动触发或者跳过,并进入下一个流程节点 |
| 9 | 加减签 | 支持在本流程节点增加或者减少办理的岗位 |
| 10 | 抄送 | 任何流程状态下,所有参与人都可以将本流程实例通知至其他岗位,允许重复抄送 |
| 11 | 重定位 | 支持将当前流程实例跳转到任意节点 |
| 12 | 委托 | 将本岗位的所有事项和流程实例交由另一个岗位进行办理,支持设置委托的日期范围 |
| 13 | 催办 | 支持在在办列表中对于办理岗位进行催促通知 |
| 14 | 退回 | 支持将本流程实例退回给申请人(起草人),支持退回给流程节点的发送人 |
| 15 | 收回 | 支持发送人在当前办理人未流转前,撤回并重新办理 |
| 16 | 特殊办结 | 无论在任何流程节点,支持直接对流程实例进行办结 |
| 17 | 过期任务 | 支持流程实例在每个流程节点配置过期时间,过期后进行状态改变 |
| 18 | 恢复待办 | 支持将已办结的流程实例重新进行流转 |
| 序 号 | 功 能 名 称 | 功能描述 |
|---|---|---|
| 1 | 事项配置 | 针对所有工作流引擎中的配置项进行统一的绑定、管理操作 |
| 2 | 表单配置 | 支持表单的动作设置、数据源、字段绑定、字段校验、样式加载等诸多的灵活配置项 |
| 3 | 统一待办 | 汇总所有的待办消息于统一界面进行通知和办理 |
| 4 | 接口配置 | 支持第三方系统的接口配置、测试和调用,便于在流程路径和流程节点中进行接入 |
| 5 | 链接配置 | 支持第三方系统的功能模块地址的绑定和配置 |
| 6 | 关联流程 | 支持手动将参与办理的流程实例与当前流程实例进行关联,关联后可以联动打开 |
| 7 | 消息提醒 | 支持对在办件的流程节点的意见批复和办理情况进行消息通知配置 |
| 8 | 实例迁移 | 支持将低版本的流程的实例无缝迁移至高版本中 |
| 9 | 流程监控 | 支持对流程实例的删除、挂起、激活、历程图、变量进行实时查看和操作 |
| 10 | 综合检索 | 针对当前登录人的岗位下所有事项中的所有状态的流程实例检索 |
| 11 | 正文模板 | 支持外部导入的流式文件模板,便于正文起草的模板使用(需要正文插件) |
| 12 | 套红模板 | 支持外部导入的流式红头文件模板,便于正文起草后进行红头模板的添加(需要正文插件) |
| 13 | 沟通交流 | 在流程实例的全过程中,支持所有办理和抄送相关岗位的人员进行留言沟通 |
| 14 | 打印模板 | 支持表单信息和word模板的配置,便于流程流转过程中的预览和打印 |
| 15 | 日历配置 | 针对法定节假日、国家调休计算工作日和自然日,便于流程的日期规则计算 |
| 16 | 意见配置 | 在事项的不同的流程节点中,支持配置不同类型的意见框,从而明确不同岗位的意见分栏 |
| 17 | 动态视图 | 支持灵活配置草稿箱、待办列表、在办列表、办结列表的展示方式 |
| 18 | 编号配置 | 在事项的不同的流程节点中,支持授权岗位对字段进行编号的定义 |
演示地址 :https://demo.youshengyun.com/itemAdmin/
演示账号:systemManager 密码:Risesoft@2024
演示地址 :https://demo.youshengyun.com/flowableUI/workIndex/
演示账号:
业务用户:user 密码:Risesoft@2024
开发文档:https://docs.youshengyun.com/
| 序号 | 名称 |
|---|---|
| 1 | 内部Java开发规范手册 |
| 2 | 日志组件使用文档 |
| 3 | 文件组件使用文档 |
| 4 | 代码生成器使用文档 |
| 5 | 配置文件说明文档 |
| 6 | 常用工具类使用示例文档 |
| 7 | 前端开发手册 |
| 8 | 前端开发规范 |
| 9 | 前端代码格式化 |
| 10 | 前端系统组件 |
| 11 | 前端通用方法 |
| 12 | 前端国际化 |
| 13 | 前端Icon图标 |
| 14 | 单点登录对接文档 |
| 15 | 工作流源码部署文档 |
| 16 | 工作流程操作文档 |
| 17 | 流程管理接口文档 |
| 18 | 事项管理接口文档 |
| 19 | 工作办件接口文档 |
| 20 | Oracle数据库适配文档 |
| 21 | Dameng数据库适配文档 |
| 22 | PostgreSQL数据库适配文档 |
| 23 | Kingbase数据库适配文档 |
| 24 | Mariadb数据库适配文档 |
| 25 | OceanBase数据库适配文档 |
| 26 | MySQL数据库适配文档 |
| 27 | 安全扫描漏洞问题及解决方案文档 |
![]() |
![]() |
![]() |
![]() |
![]() |
![]() |
![]() |
![]() |
![]() |
![]() |
![]() |
![]() |
![]() |
![]() |
![]() |
![]() |
![]() |
![]() |
![]() |
![]() |
![]() |
![]() |
![]() |
![]() |
![]() |
![]() |
![]() |
![]() |
| 序 号 | 项 目 名 称 | 项目介绍 | 地 址 |
|---|---|---|---|
| 1 | 数字底座 | 数字底座是一款面向大型政府、企业数字化转型,基于身份认证、组织架构、岗位职务、应用系统、资源角色等功能构建的统一且安全的管理支撑平台。数字底座基于三员管理模式,具备微服务、多租户、容器化和国产化,支持用户利用代码生成器快速构建自己的业务应用,同时可关联诸多成熟且好用的内部生态应用 | 码云 GitHub |
联系人:曲经理
微信号:qq349416828
备注:开源咨询-姓名






























